
倘若您有什么疑問或是對我公司有任何
的意見和建議都可通過:
的意見和建議都可通過:
公司名稱: 鞏義市西村鎮華豐給排水材料廠
公司地址: 河南省鞏義市西村開發區
電話: 0371-64033589
手機: 18638168566,13683712868
13783416000(技術)
聯系人: 王先生,位女士
郵政編碼: 451200
E-MAIL: 1696257948@qq.com
網址:http://m.sd31zb.com/
網址:http://m.sd31zb.com/
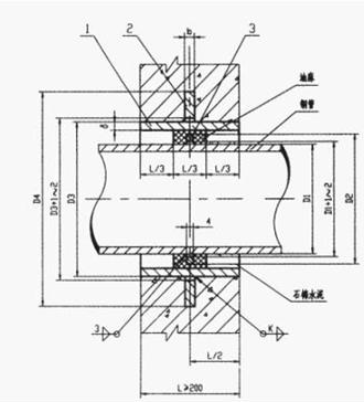
02S404型剛性防水套管
標簽:該產品可按照客戶要求訂做,如需訂做請向客服提供您的參數表
華豐竭誠為您服務,熱線電話0371-64033589


02S404型剛性防水套管適用于管道穿墻處不承受管道振動和伸縮變形的構(建)筑物,適用于管道穿墻處空間有限或管道安裝先于構(建)筑物或管道的更新改造。對于有地震設防要求的地區,如采用剛性防水套管,應在進入池壁或建筑物外墻的管道上就近設置柔性連接。A型適用于鋼管,B,C型適用于球墨鑄鐵鋼管及鑄鐵管。
02S404型剛性防水套管說明:
1、剛性防水套管適用于鑄鐵管,也適用于非金屬管,但應根據采用管材的管壁厚度修正有關尺寸。
2、翼環及鋼套管加工完成后,在其外壁均刷底漆一遍(底漆包括樟丹或冷底子油)。
3、套管尺寸表內所列之材料重量為鋼套管(套管長度 L 值按 200mm 計算)及翼環之重量。鋼套管及翼環用 A3 材料制作, T42 焊條焊接。
4、套管穿墻處之墻壁,如遇非混凝土墻壁時應改用混凝土墻壁,其澆注混凝土范圍, Ⅱ型套管應比翼環直徑( D4 )大 200mm ,而且必須將套管一次澆固于墻內。套管內的填料應緊密搗實。
5、防水套管處的混凝土墻厚,應不小于 200mm ,否則應使墻壁一邊或兩邊加厚,加厚部分的直徑,小應比翼環直徑( D4 )大 200mm .
我公司生產的防水套管是根據的S312、02S404標準圖集制造的。剛性防水套管一般適用于管道穿過墻壁之處要求一般防水的構筑物;穿墻處之墻壁,如遇非混凝土時應改用混凝土墻壁,而且必須將套管一次凝固于墻內;防水套管施用于建筑、化工、鋼鐵、自來水、污水處理等單位。
02S404型剛性防水套管(A型)尺寸
更多產品詳情可來電咨詢
聯系人:王先生 13783416000 魏女士 13683712868
上一篇:02S404型柔性防水套管
下一篇:不銹鋼防水套管
版權所有:華豐管道 地址:河南省鞏義市西村開發區 服務熱線:0371-64033589 管理入口E-MAIL: 1696257948@qq.com 手機: 18638168566,13783416000
網站備案/許可證號: 豫ICP備11026537號-5
豫公網安備 41910102000259號 技術支持:鞏義開啟網絡
本網站支持新廣告法,為不影響客戶瀏覽,頁面區域用詞正在排查修改,本店所有頁面絕對化用詞和功能性用詞在此聲明前全部失效,不接受不妥協任何形式的絕對化用詞和功能性用詞賠付,希望各位消費者理解,職業打假人高抬貴手。 網站備案/許可證號: 豫ICP備11026537號-5
豫公網安備 41910102000259號 技術支持:鞏義開啟網絡
